Консоль КС4

Заказать через WhatsApp

+7 (747) 191-70-02

Отправьте заявку

zakaz@kvant21.kz

Описание

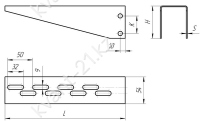
Консоль КС4 предназначена для крепления высоконагруженных кабельных конструкций (лотков, коробов) к стойкам типа СТ. Подходит для монтажа кабелей среднего и высокого напряжения, в том числе кабелей с изоляцией из сшитого полиэтилена, с помощью специальных хомутов или скоб из немагнитного материала. Консоль КС4 используется в коррозийных и агрессивных средах на предприятиях металлургической, газовой, химической и нефтехимической промышленности.

Завод «Челябинский ЗЭМИ» изготавливает консоли КС4 из качественной стали марки Ст3 толщиной до 2,5 мм. Для увеличения нагрузочной способности возможно изготовление из металла толщиной до 4мм. Шаг перфорации для этих типов консолей 50 мм, размер отверстий 32*9 мм. Крепление консолей к стойке осуществляется DIN болтами через отверстия в основании. Стандартное климатическое исполнение УТ1,5. Антикоррозионное покрытие получается методом погружения изделия в расплав цинка.

Технические характеристики

Заказать через WhatsApp

+7 (747) 191-70-02

Отправьте заявку

zakaz@kvant21.kz

Whatsapp icon Phone icon