Оголовок ОГ-56, ОГ-56М, ОГ-57, ОГ-57М
Заказать через WhatsApp
Отправьте заявку
Описание
Оголовок ОГ-56, ОГ-56М, ОГ-57, ОГ-57М выпускается в соответствии с типовым проектом Л56-97 (Л56-97 01.05).
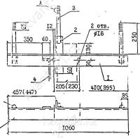
Оголовок ОГ-56, ОГ-56М, ОГ-57, ОГ-57М используется для крепления проводов изолированных, укрепленных на промежуточных опорах ЛЭП 6 кВ - 10 кВ. Три штыря, расположенные на оголовке ОГ-56, ОГ-56М, ОГ-57, ОГ-57М, предназначены для присоединения изоляторов типа ШФУ-10, ШФ-10Г, ШФ-20Г. Крепление оголовка ОГ-56, ОГ-56М, ОГ-57, ОГ-57М выполняется на стойке СВ-112 и СВ-110 при помощи хомута Х-51. Поставка хомута Х-51 осуществляется отдельно.
Спецификация оголовка ОГ-56, ОГ-56М, ОГ-57, ОГ-57М
| Позиция | Наименование детали | Количество | Масса, кг |
|---|---|---|---|
| 1 | Уголок 100х100х8 ГОСТ8509-86 L=1060 | 1 | 18,30 |
| 2 | Уголок 63х63х5 ГОСТ8509-86 L=335 | 1 | |
| 3 | Круг В24 ГОСТ 2590-88 L=320 | 3 | |
| 4 | Заземл. проводник D10, L=250 | 1 |
Размеры оголовка ОГ-56, ОГ-56М, ОГ-57, ОГ-57М

Для изготовления накладки ОГ-56М (ОГ-57М) применять сталь в соотвествии с ТО, для расчетных температур ниже минус 40 градусов.
Варианты обозначения: накладка ОГ-56, ОГ56, ОГ 56, ОГ-56М, ОГ56М, ОГ 56М, ОГ-57М, ОГ57М, ОГ 57М, ОГ-57, ОГ57, ОГ 57
****