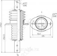
Проходной изолятор ИП-10/630-7,5

Заказать через WhatsApp

+7 (747) 191-70-02

Отправьте заявку

zakaz@kvant21.kz

Описание

Изолятор ИП-10/630-7,5 цена от производителя, характеристики.
Армированные фарфоровые проходные изоляторы ИП-10/630-7,5 для напряжений до 10 кВ, внутренней установки, используются для проведения и изоляции токоведущих частей закрытых распределительных устройств электрических станций и подстанций, КРУ, соединения с ОРУ или линиями электропередачи переменного тока напряжением до 10 кВ, частотой до 100 Гц, а также закрытых токопроводов. 

Достоинства:
Изоляторы ИП (ИПУ) в сравнении с полимерными силиконовыми изоляторами наиболее устойчивы к различным типам загрязнений. Механические характеристики фарфоровых изоляторов не изменяются во всем диапазоне температур окружающего воздуха, при которых допустима их работа.

Условия поставки, цену можно узнать, позвонив по телефонам, указанных в Контактах, или рассчитать заказ на сайте (быстрый заказ).

Расшифровка:
И изолятор П проходной У усиленный 10 - класс напряжения, кВ 630 - номинальный ток, А 7,5 - механическая разрушающая сила при изгибе, кН

Минимальная механическая разрушающая нагрузка при изгибекН7,5
Номинальное напряжениекВ10
Номинальный токА630
Пробивное напряжение в изоляционной средекВ80
 Испытательное напряжение промышленной частоты в сухом состоянии кВ42
 Испытательное напряжение промышленной частоты в условиях выпадения росыкВ30
 Испытательное напряжение грозового импульса кВ75

 Испытательное напряжение промышленной частоты в условиях

выпадения инея с последующим оттаиванием

кВ12
Разрядное напряжение промышленной частоты  в сухом состояниикВ51
Массакг5,4

Заказать через WhatsApp

+7 (747) 191-70-02

Отправьте заявку

zakaz@kvant21.kz

Whatsapp icon Phone icon