Проходной изолятор ИПУ-10/1000-7,5 УХЛ1

Заказать через WhatsApp

+7 (747) 191-70-02

Отправьте заявку

zakaz@kvant21.kz

Описание

Изолятор ИПУ-10/1000-7,5 УХЛ1 цена от производителя, характеристики.
Армированные фарфоровые проходные изоляторы ИПУ-10/1000-7,5 УХЛ1 для напряжений до 10 кВ, внутренней установки, используются для проведения и изоляции токоведущих частей закрытых распределительных устройств электрических станций и подстанций, КРУ, соединения с ОРУ или линиями электропередачи переменного тока, частотой до 100 Гц, а также закрытых токопроводов. 

Достоинства:
Изоляторы ИПУ в сравнении с полимерными силиконовыми изоляторами наиболее устойчивы к различным типам загрязнений. Механические характеристики фарфоровых изоляторов не изменяются во всем диапазоне температур окружающего воздуха, при которых допустима их работа.

Условия поставки, цену можно узнать, позвонив по телефонам, указанных в Контактах, или рассчитать заказ на сайте (быстрый заказ).

Расшифровка:
И - изолятор
П - проходной
У - усиленный
10 - класс напряжения, кВ
1000 - номинальный ток, А
7,5 - механическая разрушающая сила при изгибе, кН
УХЛ - климатическое исполнение
1 - категория размещения по ГОСТ 15150-69

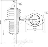
Номинальное напряжениекВ 10
Номинальный токА 1000
Длина пути утечкимм300
Минимальная механическая разрушающая нагрузкакН7,5
 Массакг8

Заказать через WhatsApp

+7 (747) 191-70-02

Отправьте заявку

zakaz@kvant21.kz

Whatsapp icon Phone icon