Стяжка СТ-7

Заказать через WhatsApp

+7 (747) 191-70-02

Отправьте заявку

zakaz@kvant21.kz

Описание

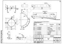
Стяжка СТ-7 выпускается в соответствии с типовым проектом 22.0099 (22.0099-23).

Спецификация Стяжки СТ-7:

****

Характеристики

Вес
10,80 кг

Заказать через WhatsApp

+7 (747) 191-70-02

Отправьте заявку

zakaz@kvant21.kz

Whatsapp icon Phone icon