Траверса ТМ-102
Заказать через WhatsApp
Отправьте заявку
Описание
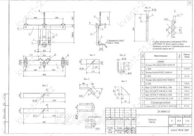
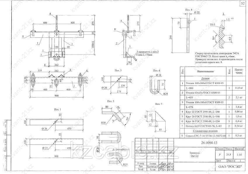
Траверса ТМ-102 выпускается в соответствии с типовым проектом 26.0004 (26.0004-13).
Траверса ТМ-102 применяется для осуществления крепления проводов при проведении и установке опор высоковольтных линий электропередач. Производится траверса ТМ-102 из углеродистой стали. Лак на битумной основе БТ-577 наносится на поверхность готовых изделий и образует защиту от влияния окружающей среды.
Траверса ТМ-102 крепится на стойки СВ105 и СВ110 при помощи хомутов марок Х-1 и Х-42. Поставляются данные хомуты по отдельному заказу.
Спецификация траверсы ТМ-102
| Позиция | Наименование детали | Количество | Масса, кг |
|---|---|---|---|
| 1 | Уголок 100х100х8 ГОСТ 8509-93 L=900 | 1 | 24.80 |
| 2 | Уголок 63х63х5 ГОСТ 8509-93 L=435 | 2 | |
| 3 | Уголок 100х100х8 ГОСТ 8509-93 L=278 | 1 | |
| 4 | Круг 22 ГОСТ 2590-88 L=290 | 1 | |
| 5 | Круг 20 ГОСТ 2590-88 L=390 | 1 | |
| 6 | Круг 16 ГОСТ 2590-88 L=254 | 5 | |
| 7 | Полоса 6х85ГОСТ 103-76 L=85 | 2 | |
| 8 | Серьги СРС 7-16 ТУ 34-13-10272-88 | 5 |
Размеры траверсы ТМ-102:

Варианты обозначения: траверса ТМ-102, ТМ102, ТМ 102
****Характеристики
Вес
5,30 кг