Траверса ТМ-14
Заказать через WhatsApp
Отправьте заявку
Описание
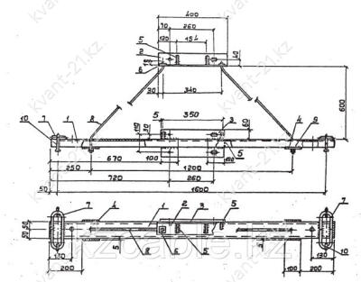
Траверсы ТМ-14 (проект 3.407.1-143.8.14) изготавливаются из прочного и качественного материала - углеродистой стали и помогают осуществить крепление провода, протянутого на опорах высоковольтных линий электропередачи 6 кВ -10 кВ. Для придания траверсе таких свойств как долговечность и стойкость к коррозии ее покрывают специальным лаком БТ-577.
К стойкам траверса крепится при помощи хомутов: к стойке СВ110 - хомутом Х-1, а к стойке СВ105 - хомутом Х-42. Требуемый хомут заказывается отдельно.
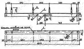
Габариты изделия: 1700х250х730мм.
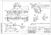
Спецификация траверсы ТМ-14
| Позиция | Наименование детали | Количество | Масса, кг |
|---|---|---|---|
| 1 | Швеллер 10 ГОСТ 8240-72 | 1 | 26.30 |
| 2 | Уголок 80х80х6 ГОСТ 8509-86 | 1 | |
| 3 | Полоса 6х170 ГОСТ 103-76 | 1 | |
| 4 | Полоса 5х100 ГОСТ 103-76 | 2 | |
| 5 | Полоса 5х50 ГОСТ 103-76 | 4 | |
| 6 | Полоса 5х50 ГОСТ 103-76 | 2 | |
| 7 | Круг 16 ГОСТ 2590-71 | 4 | |
| 8 | Круг 10 ГОСТ 2590-71, L=265 | 2 | |
| 9 | Гайка М10 ГОСТ 5915-70 | 4 | |
| 10 | Серьга СРС-7-17 ГОСТ 2725-78 | 4 |
Размеры траверсы ТМ-14:

Варианты обозначения: траверса ТМ-14, TМ14, TМ-14
****Характеристики
Вес
13,60 кг