Траверса ТМ-6
Заказать через WhatsApp
Отправьте заявку
Описание
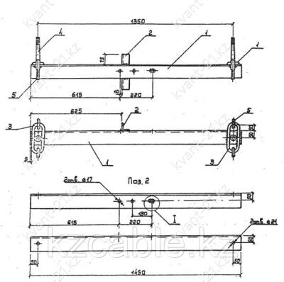
Траверса ТМ-6 (проект 3.407.1-143.8.6) используются для выполнения двойного крепления проводов к стойкам (тип СВ) при установке анкерных опор высоковольтных линий электропередачи. Крепление осуществляется с помощью изолирующих натяжных подвесок.
К траверсе ТМ-6 приварены четыре петли, каждая из которых имеет серьгу серии СРС7-16. Крепление ШФ10-Д, ШФ20-В или ШС10-Г (штыревых изоляторов) выполняется на специальные штыри с применением колпачков К-6, К-9, К-7 или КП-22. Крепление проводов к каждому из изоляторов выполняется проволочной (ВШ-1) либо спиральной (ПВС) вязками. Хомут серии Х-1 применяется для присоединения траверсы к стойке СВ105, а хомут серии Х-42 к стойке СВ110. Поставка хомутов производится по отдельному заказу.
Габариты изделия: 1450х150х295мм.
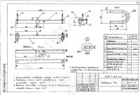
Спецификация траверсы ТМ-6
| Позиция | Наименование детали | Количество | Масса, кг |
|---|---|---|---|
| 1 | Уголок 100х100х8 ГОСТ8509-86 | 1 | 23,00 |
| 2 | Уголок 50х50х3 ГОСТ8509-86 | 1 | |
| 3 | Круг 16 ГОСТ2590-71 L=260 | 4 | |
| 4 | Штырь Ш-20-2-К-30 ГОСТ 34-13-931-86 | 2 | |
| 5 | Серьга СРС-7-17 ГОСТ 2725-78 | 4 |
Размеры траверсы ТМ-6:

Варианты обозначения: траверса ТМ-6, TМ6, TМ-6
****