Траверса ТМ-78, ТМ-78а, ТМ-78М, ТМ-78аМ
Заказать через WhatsApp
Отправьте заявку
Описание
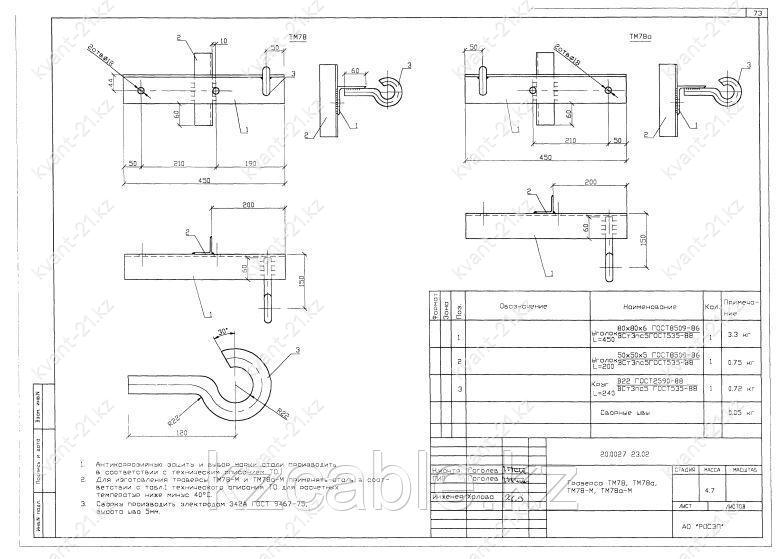
Траверсы ТМ-78, ТМ-78а, ТМ-78М, ТМ-78аМ выпускаются в соответствии с типовым проектом 20.0027 (20.0027 23.02).
Траверсы ТМ-78, ТМ-78а, ТМ-78М, ТМ-78аМ служат в период прокладки провода и установки опор воздушных высоковольтных линий для крепления используемых проводов к стойкам СВ.
К стойкам типа СВ105 траверсы ТМ-78, ТМ-78а, ТМ-78М, ТМ-78аМ крепятся с использованием хомутов марки Х-1. К стойкам типа СВ110 траверсы крепятся хомутами марки Х-42. Заказ и поставка требуемых хомутов производятся отдельно от траверс.
Качественная углеродистая сталь является материалом для изготовления траверсы ТМ-78, ТМ-78а, поверхность которой также покрывают битумным лаком БТ-577 (для защиты траверс от влияния коррозии). Траверсы ТМ-78м и ТМ-78аМ производятся из особой стали, благодаря чему могут применяться в таких условиях, где температура окружающей среды ниже -40°С.
Данные траверсы предлагаются заказчикам в различных размерах и конфигурациях.
Доставка траверс ТМ-78, ТМ-78а, ТМ-78М, ТМ-78аМ осуществляется без упаковки и тары.
Спецификация траверсы ТМ-78, ТМ-78а, ТМ-78М, ТМ-78аМ
| Позиция | Наименование детали | Количество | Масса, кг |
|---|---|---|---|
| 1 | Уголок 80х80х6 ГОСТ 8509-86 L=450 | 1 | 4.70 |
| 2 | Уголок 50х50х5 ГОСТ 8509-86 L=200 | 1 | |
| 3 | Круг В22 ГОСТ 2590-88 L=240 | 1 |
Размеры траверсы ТМ-78, ТМ-78а, ТМ-78М, ТМ-78аМ:

1. Сварку выполнять электродом Э42A по ГОСТ 9467-75, высота шва 5 мм.
2. Антикорозийную защиту и выбор марки стали производить в соответствии с техническим заданием.
3. Для изготовления траверсы ТМ-78/78М применять сталь в соответствии с таблицей, технического задания, для расчетных температур ниже 40 градусов.
Варианты обозначения: траверса ТМ-78, ТМ-78а, ТМ-78М, ТМ-78аМ, ТМ78, ТМ78а, ТМ78М, ТМ78аМ
****